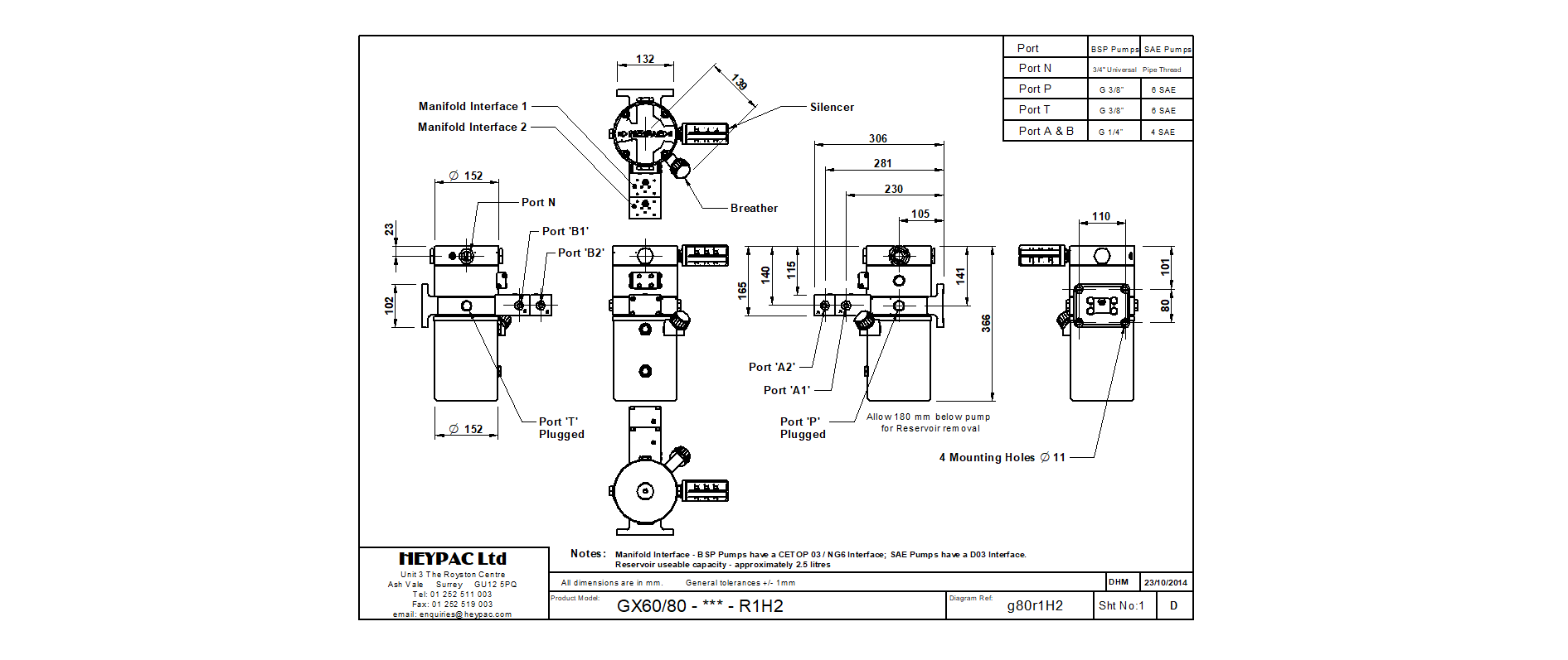
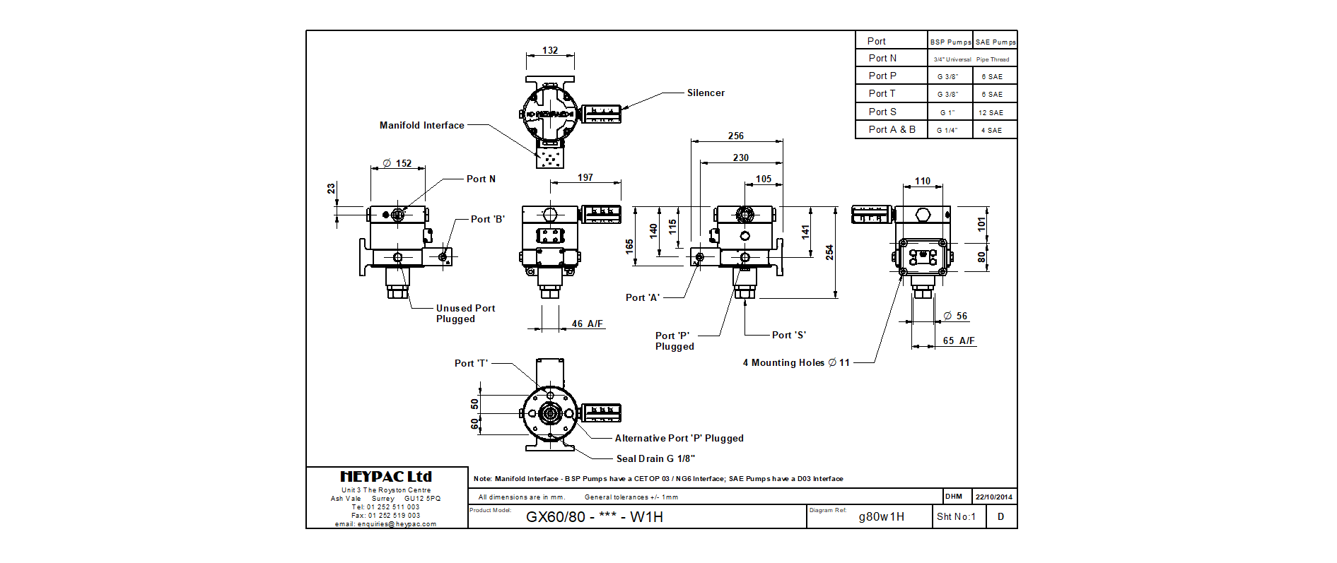
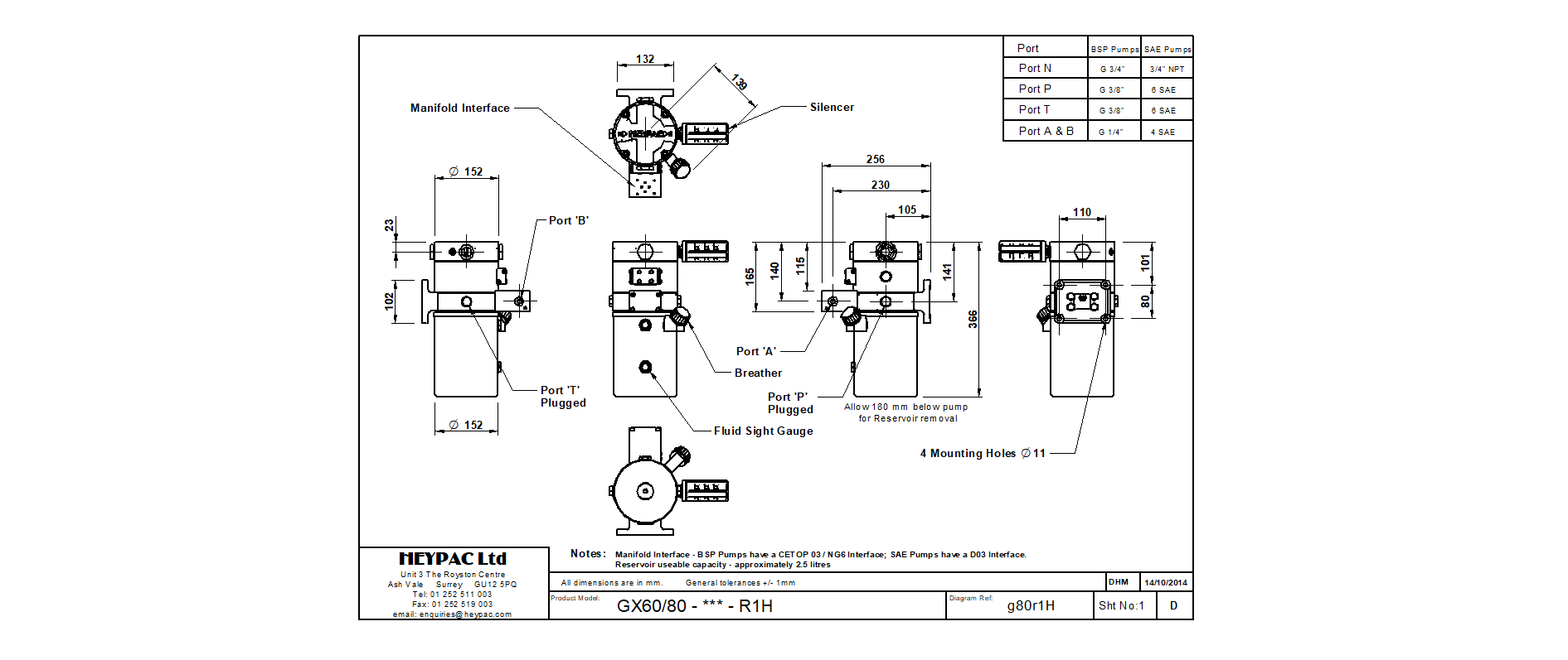
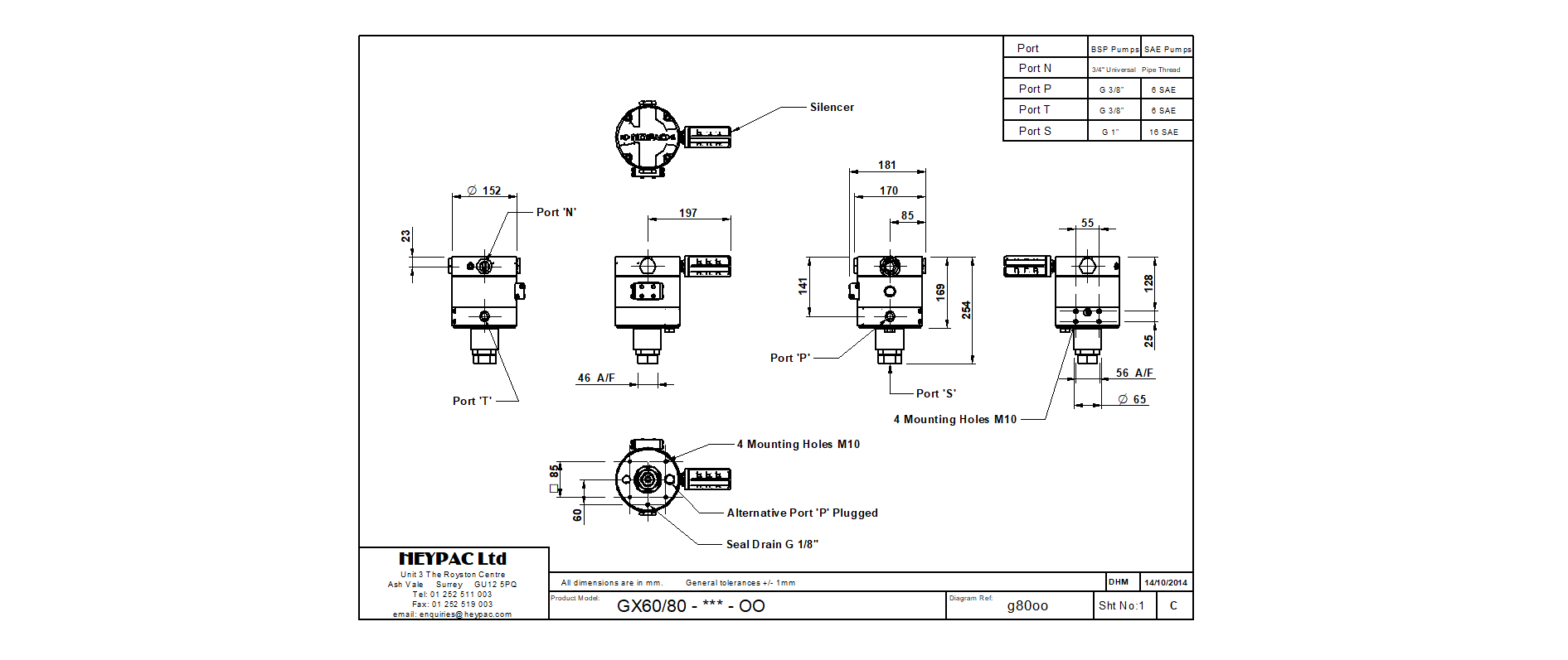
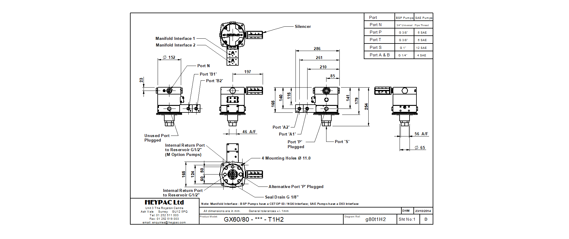
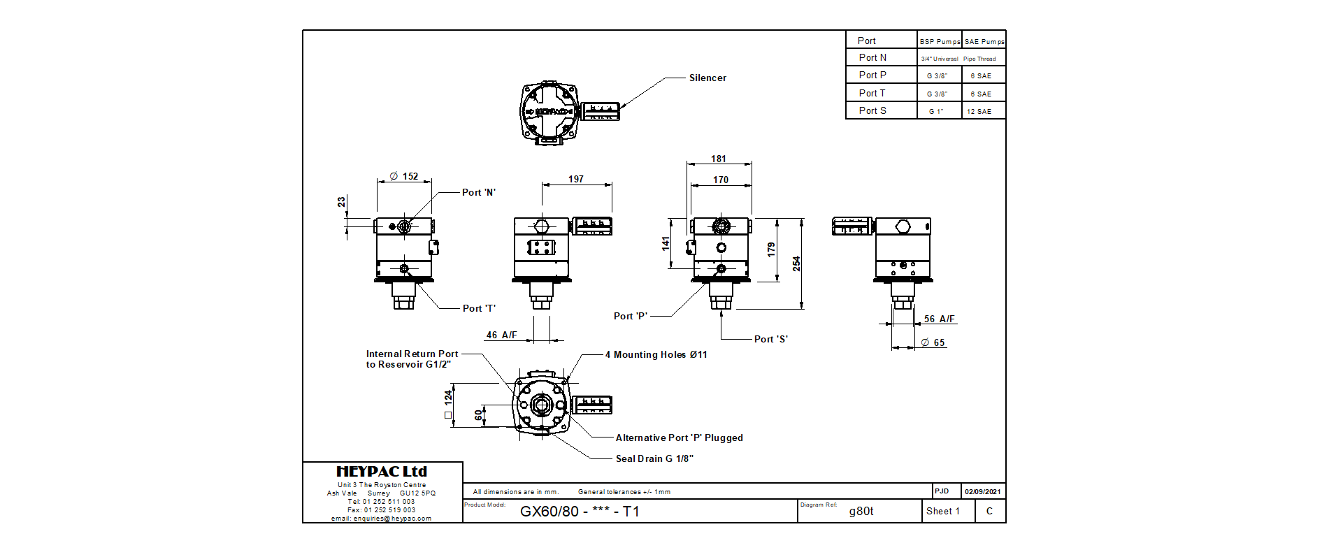
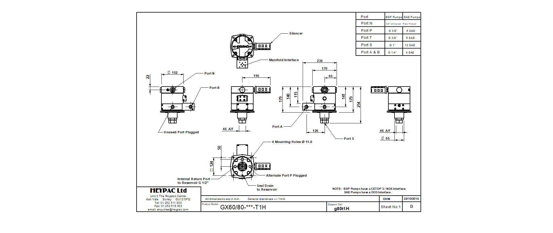
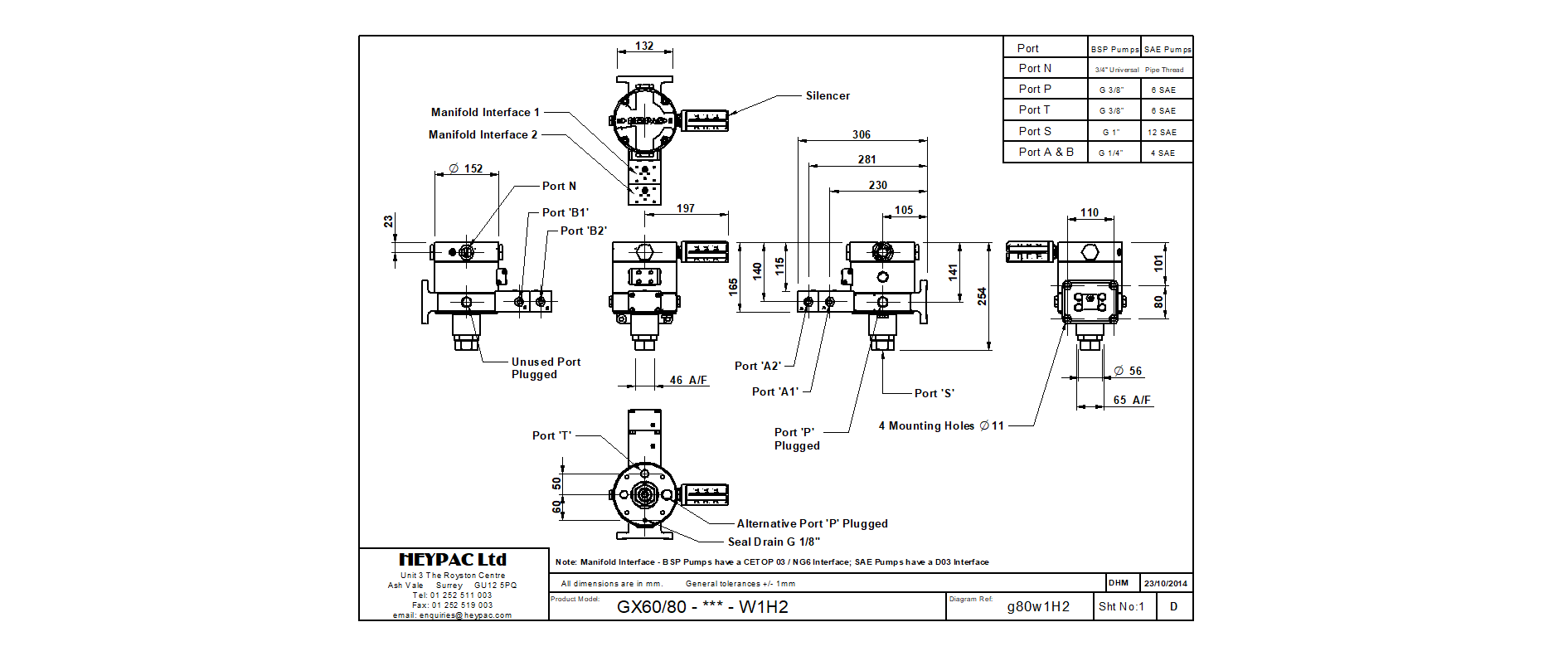
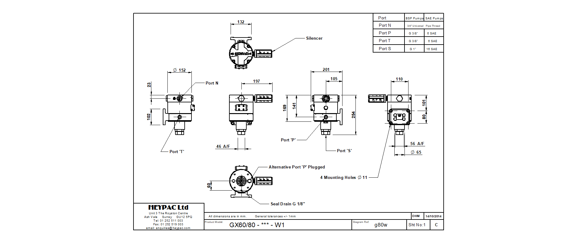
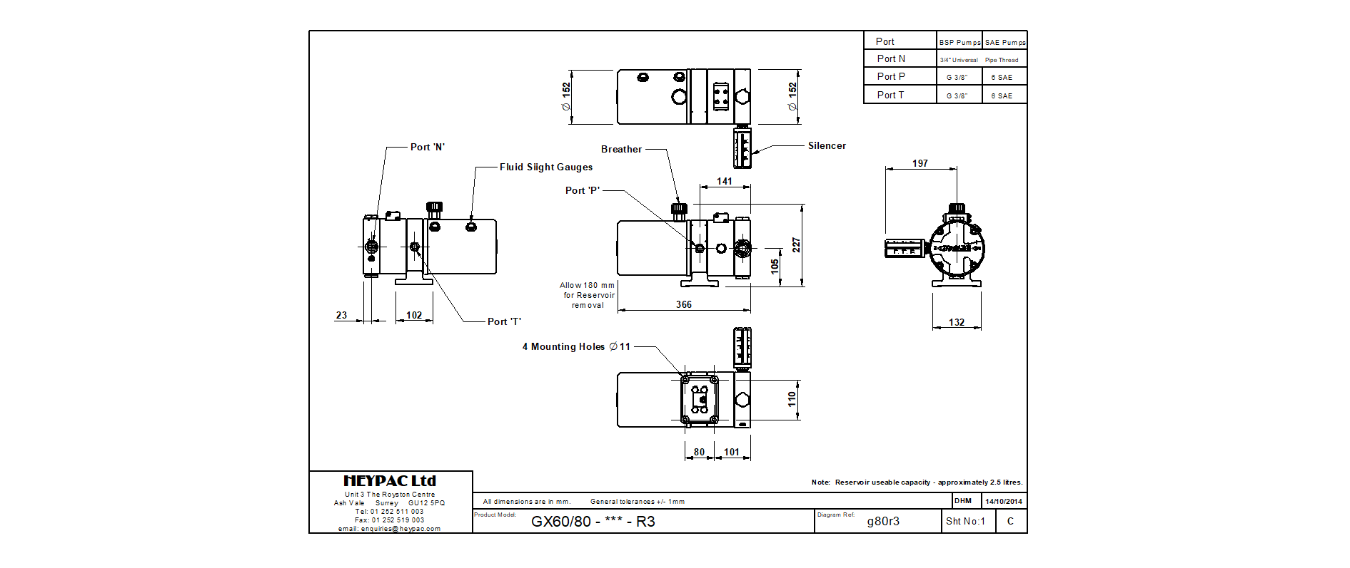
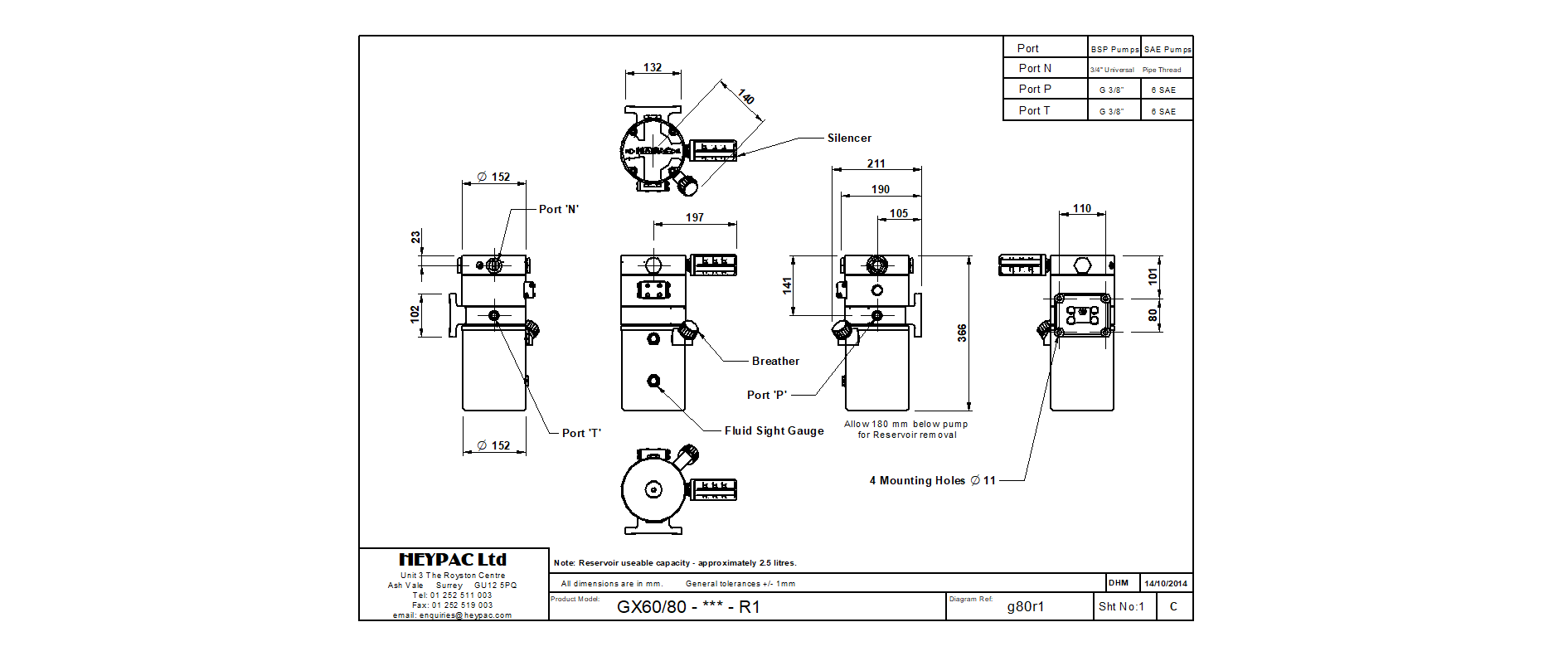
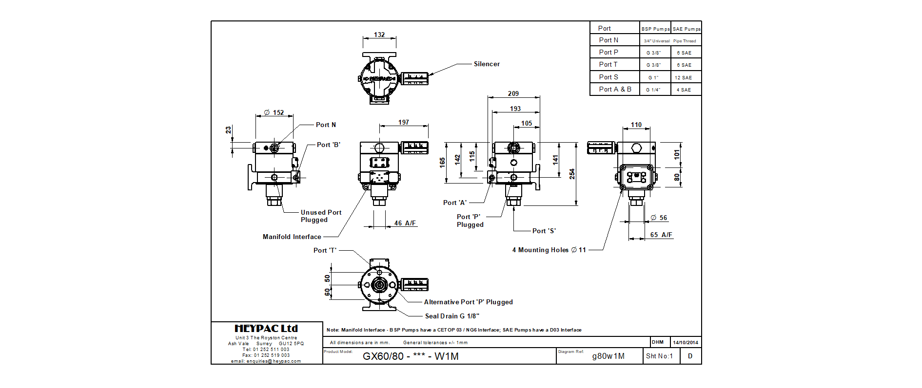
GX80 MOUNTING CONFIGURATIONS

To download the correct installation diagram select your mounting type