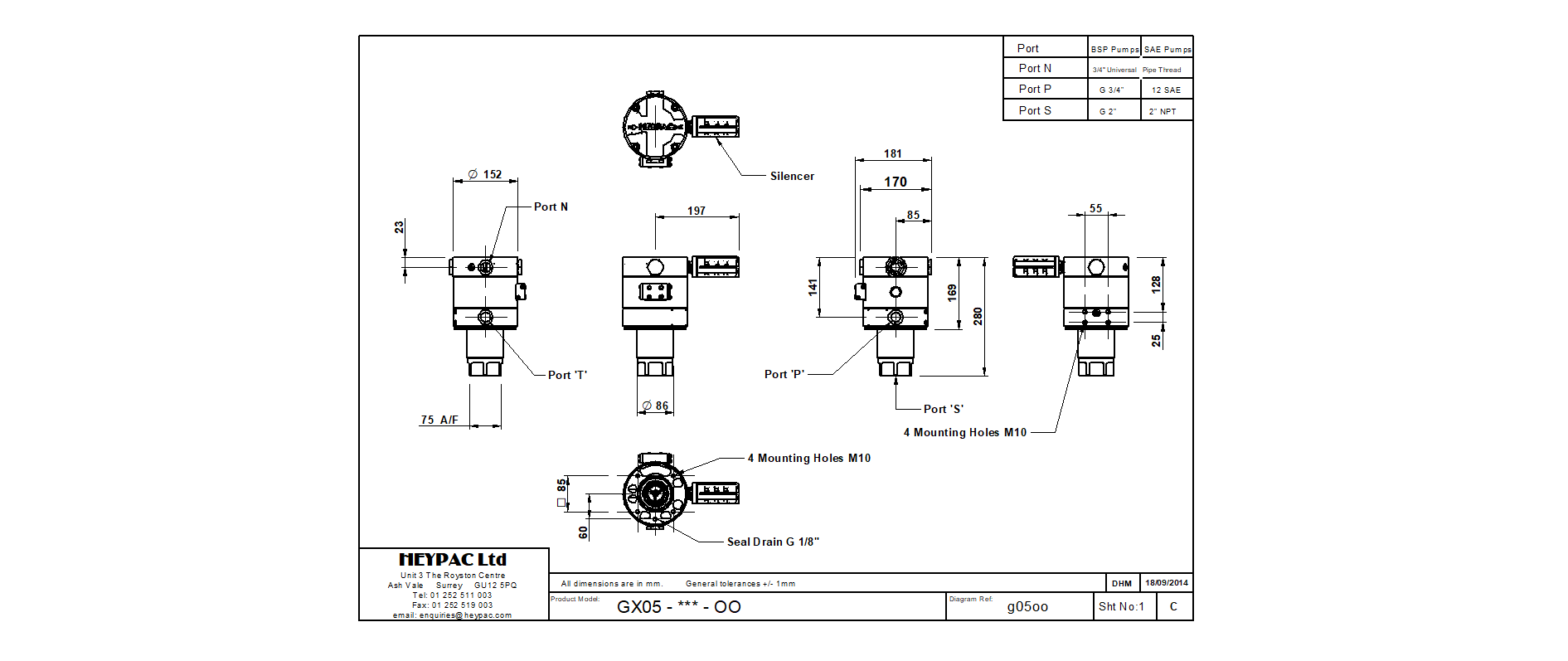
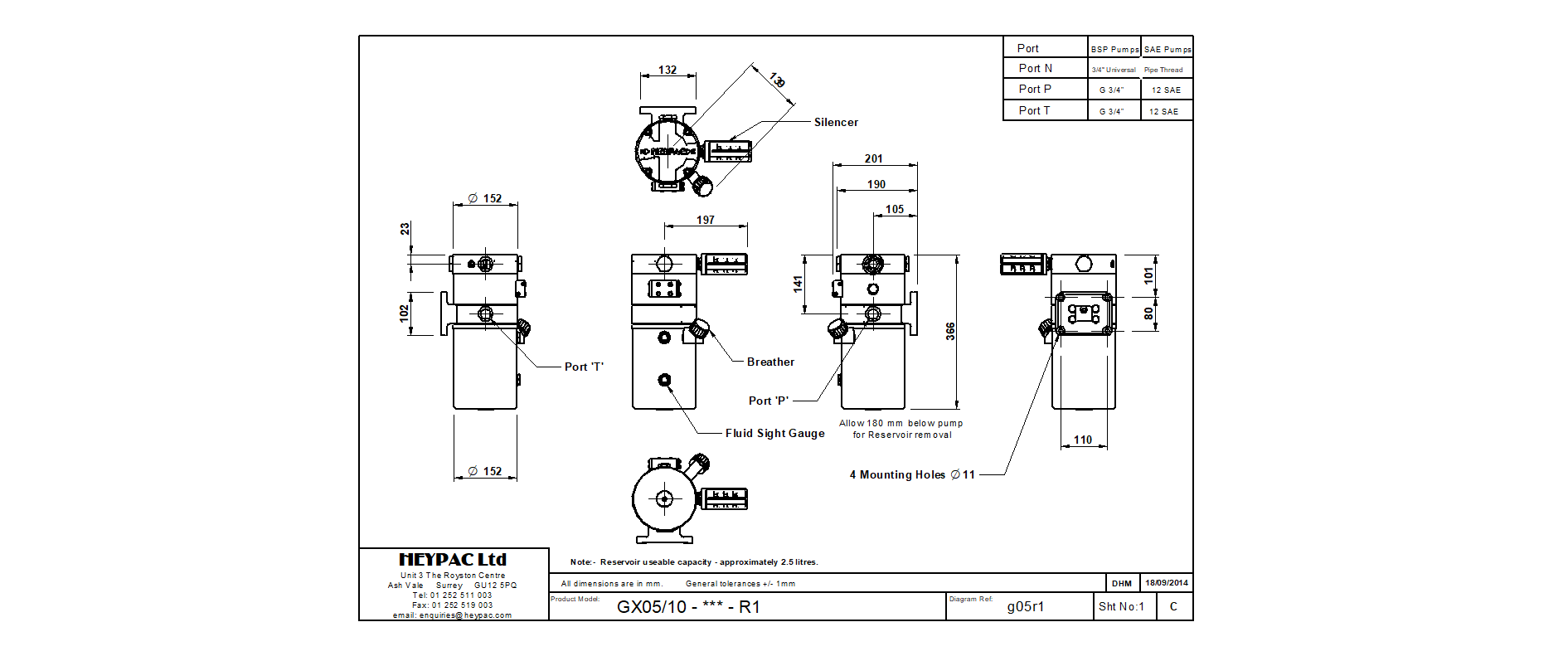
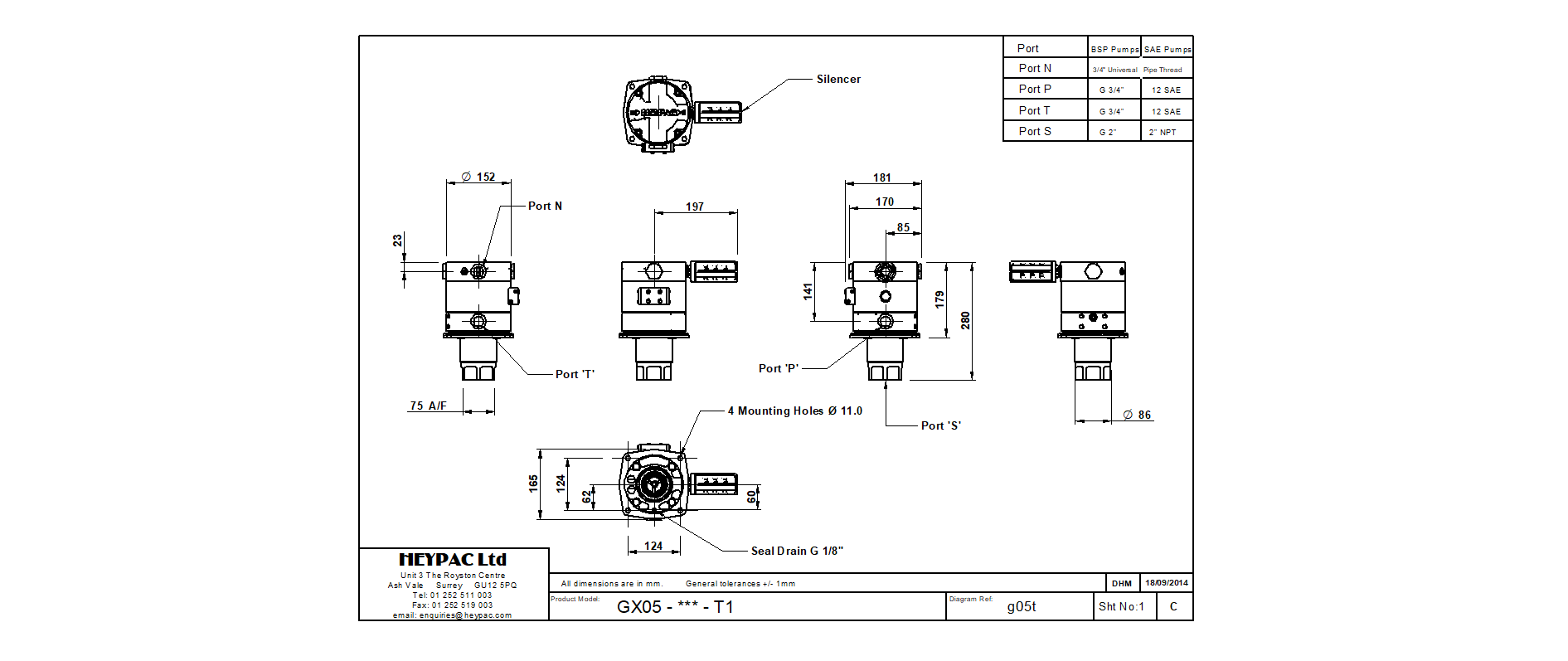
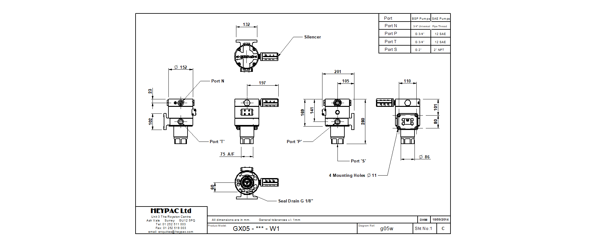
GX05 MOUNTING CONFIGURATIONS

To download the correct installation diagram select your mounting and type